行业知识

高加外置式蒸汽冷却器

2024-07-24 09:00:04 乐动体育在线注册,乐动体育(中国)

高加外置式蒸汽冷却器

一、回热循环及蒸汽冷却器

回热循环被现代蒸汽动力工程所普遍采用,是在朗肯循环的基础上,对吸热过程加以改进而得到的。

在朗肯循环中,新蒸汽的热量在汽轮机中转变为功的部分只占30%左右,而其余70%左右的热量随乏汽进入凝汽器,在凝结过程中被循环水带走了。

另外,进入锅炉的给水温度是凝汽器工作压力下的饱和温度。因为凝汽器内饱和温度很低,在锅炉内将给水加热到过热蒸汽的整个过程,吸热平均温度不高,致使朗肯循环热效率也较低。为了提高工质的平均吸热温度,减少凝汽器中被冷却水所带走的热量,人们采用了利用抽汽加热给水的热力循环——回热循环。采用回热可提高平均加热温度,从而提高装置的热效率。

回热循环中加热器所用的抽汽,可以是饱和蒸汽,也可以是过热蒸汽。给水加热过程和蒸汽放热过程在T-S图上表示如下图所示。

饱和蒸汽在加热器中放热是一个等温等压凝结放热过程,如图(a)中的cd过程线。过热蒸汽在加热器中放热是一个沿等压线降温的过程,不全是等温过程,如图(b)中的cd过程线。显然,由于过热蒸汽在加热器中放热不全是等温放热,热交换温差比饱和蒸汽热交换温差大,因而热交换不可逆损失也就更大。就是说,抽汽过热度将导致热交换不可逆损失增大,且过热度愈大,不可逆损失就愈大,从而大大地影响装置的热经济性。这个问题在有中间再热机组上尤为突出。因为蒸汽再热,把汽轮机的膨胀过程线推向T-S图的右上方,使回热抽汽过热度显著增大,因而热交换不可逆损失对经济型的不利影响将显著增强。

图片关键词

蒸汽放热过程在T-S图上表示

蒸汽冷却器是克服抽汽过热度不利影响的有效措施之一。它使抽汽热量按能级高低进行分级合理利用,尽可能将能位高的过热度热量利用在较高的能级上,而不直接降落到加热器本体上。这样,可以降低热交换的不可逆损失,改善装置的热经济性。


二、蒸汽冷却器的形式

随着机组向高参数大容量发展,高压加热器的抽汽参数越来越高,过热度也越来越大。为了合理地利用抽汽过热度,大机组都装有蒸汽冷却器。

常见的蒸汽冷却器有以下几种型式:

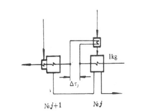
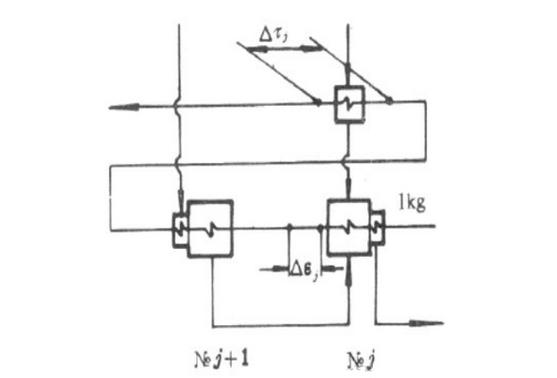
一种为内置式蒸汽冷却器,它放于加热器内,成为加热器的一部分;另一种为外置式蒸汽冷却器,它置于加热器之外,自成一个整体。外置式蒸汽冷却器在联入回热系统的方式上较为灵活,常见的有串联式和并联式。由于蒸汽冷却器的具体结构和在系统中的布置型式各异,因此,它们对于整个系统的安全和经济的影响有很大的差别。近年来,对火电厂回热系统运行安全和经济性的要求不断提高,蒸汽冷却器正呈现由内置向外置发展的趋势。

图片关键词

内置式蒸汽冷却器联结图

图片关键词

外置式蒸汽冷却器联结图

机组采用再热时,再热之后的各级抽汽过热度大大增加,尤其是再热之后的第一级抽汽,抽汽过热度最大,通常高于200℃,对应的回热加热器换热温差增大,温差换热引起的不可逆损失增加。减少此不可逆损失的方法有二:一是把再热之后的第一级抽汽口后移,减小其抽汽过热度,使高压缸排汽的抽汽量是再热之后第一级抽汽的抽汽量的1.3~2倍,甚至更多;二是采用蒸汽冷却器:外置式蒸汽冷却器可直接提高给水温度,经济效果比内置式的要好,但是系统复杂,投资大,因此回热系统一般只采用一台外置式蒸汽冷却器,装设在过热度最大的再热之后第一级抽汽处。


三、经济性比较

根据热力学理论分析,为了在超超临界蒸汽参数下最大限度的获得热耗率的改善,给水总焓升在各加热器的回热分配和给水回热的级数要进行最优化。汽轮机回热系统各加热器给水焓升的大小直接影响着机组运行的经济性。在汽轮机回热系统设计时,给水焓升的确定方法通常是应用等焓升(等温升)法。对于再热机组,由于再热后抽汽过热度增大,影响到最佳分配,故需将分配加以经验修正。以本工程机组热平衡图为例,其第3级抽汽参数为2.264MPa,457℃,抽汽过热度很大,对应的回热加热器换热温差增大,温差换热引起的不可逆损失增大。如果在3级抽汽管路上设置外置蒸汽冷却器,充分利用蒸汽过热度,减少不可逆换热损失,同时在各种负荷工况下都能一定程度提高给水温度,降低热耗。

根据汽机厂热平衡图分析,采用外置式蒸汽冷却器后,机组的热耗约降低21kJ/kWh,折合发电标煤耗约0.78g/kWh。

首页
产品
新闻
联系